뉴티씨



  • HOME
  • 자료실
  • 확장보드

 
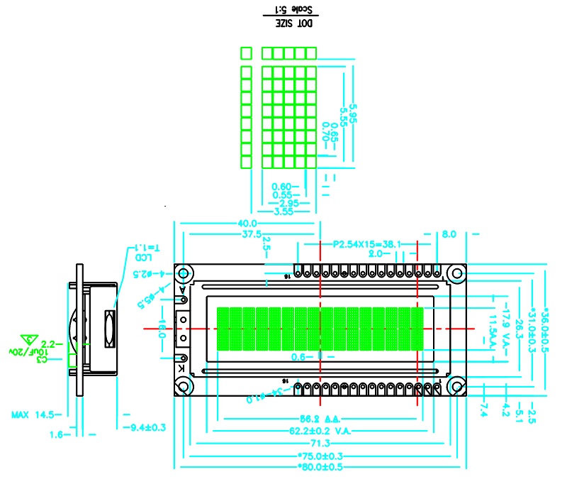
[참고자료] [기구도] SLCD216 기구도입니다.
 글쓴이 : administrato…
작성일 : 12-03-07 16:35
조회 : 7,561  
   AM_SLCD_시리얼_LCD__메뉴얼.pdf (960.4K) [81] DATE : 2012-03-07 16:35:53

안녕하세요?
필요하시다고 요청하신 고객님이 있어서 올려드립니다.
참고하시기 바랍니다.

SLCD216 기구도입니다.
언제든지 Q&A로 질문 올려 주시면 됩니다.

감사합니다.


 
 

번호 제 목 글쓴이 날짜 조회
공지 [공지] 뉴티씨 공개라이센스(NPL V1.0)입니다. administrato… 03-21 26018
127 [예제소스] [USBSERIAL][CP2103] GPIO 윈도우용 VC++ 예제소스 및 … administrato… 07-03 7111
126 리니어 아답타의 정격 관련 내용. 관리자 05-24 4981
125 [참고자료] 블루투스 관련 회로도 및 소스 administrato… 05-08 10655
124 [참고자료] [기구도] SLCD216 기구도입니다. administrato… 03-07 7562
123 [예제소스] 세븐세그먼트 동작 소스(컴먼 캐소드 타입) administrato… 02-16 6577
122 [매뉴얼] [AM-DC2-2D 메뉴얼입니다.] administrato… 01-07 7916
121 [프로그램] AD-USBSERIAL V01 관련 자료 administrato… 12-07 7046
120 [예제소스] [소스] DC2-2용 모터 컨트롤 소스입니다. administrato… 11-27 6436
119 [예제소스] [소스] 사운드(sound) 예제입니다.[ICCAVR V7, ATMEGA… administrato… 11-27 6442
118 [참고자료] [기구도] SLCD216 기구도입니다. administrato… 11-27 6545
117 [예제소스] 스위치 입력(8Ch) 보드(AM-TS8) 예제 128용 admin 07-26 6143
116 [매뉴얼] 스위치 입력(8Ch) 보드(AM-TS8) 매뉴얼 administrato… 07-26 6175
115 [예제소스] LED 출력 보드(AM-TL8) 예제 128용 admin 07-26 6844
114 [매뉴얼] LED 출력 보드(AM-TL8) 매뉴얼 administrato… 07-26 6176
113 [예제소스] Relay 전원공급 보드(AM-RB04-B) 예제 admin 07-26 7051
 1  2  3  4  5  6  7  8  9  10    

1