日本ニューティーシー株式会社



  • HOME
  • SHOPLIST
  • 器具部

3060




  • Tools
  • Motors

 

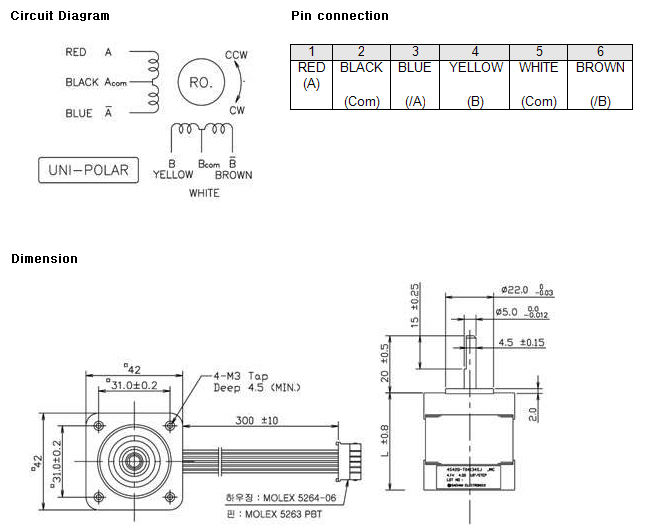
ステッピングモータ
(1.7kgクラス)
  • モデル名 : SE-SM243
  • メーカー : NEWTC Co., Ltd.
  • 販売価格 : (税抜)
  • 数量 :
  • 개요
  • 구성도
  • 제품작동
  • 콘텐츠
  • 쇼핑

Introduction of SE-SM243 (Stepping motor SE-SM243)




Application

小型移動ロボット / コントロール装置



Specification

Voltage

(V)

Current

(A)

Resistance

(Ω)

Inductance (mH)

Holding Torque

(Kgcm)

Detent Torque

(gcm)

Rotor Inertia

(gcm²)

Weight(g)

4.1

0.95

4.2±10%

2.6±20%

1.7

230

33

200




Note

1. The drive system be based on 2 phase-excitation by constant current driving.
2. Please do not drop or shock against hard material.
3. Please do not disassemble motor.
4. Please do not machine the motor shaft without a proper tool for the assurance of motor performance